Akelarre (cifrado)
Akelarre es el nombre de un cifrador por bloques propuesto en 1996 que combinaba desarrollos de IDEA y RC5. Se demostró que era susceptible a un ataque incluso sólo con texto cifrado en el 2000 (Knudsen y Rijmen). Akelarre cifra en bloques de 128 bits de longitud con un tamaño variable de clave, que debe ser múltiplo de 64 bits. El número de rondas es variable, pero 4 son las sugeridas. Las operaciones en las rondas es similar a la usada en IDEA.
| Akelarre | ||
|---|---|---|
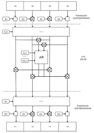
![]() Procedimiento de encriptación del algoritmo Akelarre | ||
| General | ||
| Diseñador(es) | G. Álvarez • D. de la Guía • F. Montoya • A. Peinado | |
| 1ª publicación | 1996 | |
| Antecesor | IDEA / RC5 | |
| Detalle de cifrado | ||
| Longitud de la clave | múltiple de 64 bits (recomendado - 128 bits) | |
| Longitud de bloque | 128 bits | |
| Estructura | Lai–Massey scheme | |
| Rounds | cualquiera (recomendado - 4) | |
| Mejor criptoanálisis público | ||
| Susceptible de un ataque ciphertext-only | ||
Bibliografía
- Lars Knudsen y Vincent Rijmen, Ciphertext-only Attack on Akelarre, Cryptologia, Vol. 24(2), April 2000, pp135–147. (en inglés)
- G. Álvarez, A. Fúster, D. Guía, F. Montoya, A. Peinado, "Akelarre: nuevo algoritmo de cifrado en bloque", in J. Tena, F. Blanco, editor, IV Reunión española sobre Criptología, vol. 0 of, 93-100, Universidad de Valladolid, Valladolid, septiembre de 1996. (enlace roto disponible en Internet Archive; véase el historial, la primera versión y la última).
- Niels Ferguson and Bruce Schneier «Cryptanalysis of Akelarre» [Fourth Annual Workshop on Selected Areas in Cryptography] (en inglés). 23 de julio de 1997. pp. 01—12. Archivado desde el original el 23 de julio de 2004.
Referencias
Este artículo ha sido escrito por Wikipedia. El texto está disponible bajo la licencia Creative Commons - Atribución - CompartirIgual. Pueden aplicarse cláusulas adicionales a los archivos multimedia.
