TIA-485
TIA-485 (-A), también conocido como EIA-485 o RS-485, es una norma técnica publicada conjuntamente por la Alianza de Industrias Electrónicas y la Asociación de la Industria de Telecomunicaciones (TIA / EIA) que especifica características eléctricas de un sistema de comunicaciones serie digital. La señalización eléctrica es diferencial y se admiten sistemas multipunto. Las redes de comunicaciones digitales que implementan la norma pueden trabajar eficazmente a largas distancias en entornos eléctricamente ruidosos. Se pueden conectar múltiples receptores a dicha red en un bus lineal multipunto. Estas características hacen que TIA-485 sea útil en sistemas de control industrial y aplicaciones similares.
| TIA-485-A (Revisión de EIA-485) | |
|---|---|
| Norma | ANSI/TIA/EIA-485-A-1998 Aprobado:3 de marzo de 1998 Confirmado: 7 de diciembre de 2012 |
| Medio físico | Par trenzado |
| Topología de red | Punto-a-punto, multi-punto |
| Dispositivos máximos | Al menos 32 emisores/receptores |
| Distancia máxima | No especificado |
| Modo de operación | Diferencial |
| Niveles de voltaje | 1 binario (Voa–Vob < −200 mV)
0 binario (Voa–Vob > +200 mV) |
| Señales disponibles | A, B, C |
| Tipos de conector | No especificado |
Visión general
RS-485 admite redes locales económicas y enlaces de comunicaciones multipunto, utilizando la misma señalización diferencial sobre par trenzado que TIA-422. TIA-485 trabaja habitualmente con velocidades de datos de hasta 10 Mbit/s[nota 1] o, a velocidades más bajas, distancias de hasta 1200m.[1] Como regla general, la velocidad en bit/s multiplicada por la longitud en metros no debe superar 108. Por lo tanto, un cable de 50 metros no debería exceder más de 2 Mbit/s.


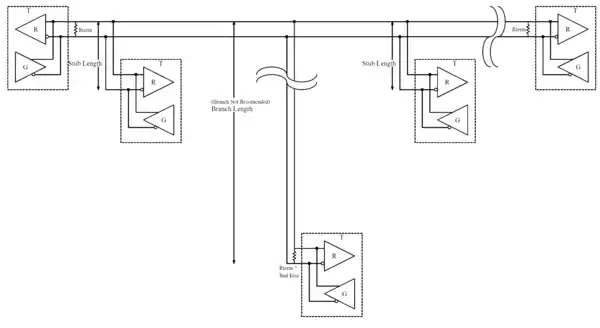
A diferencia del TIA-422, que tiene un circuito de transmisión que no se puede desactivar, los emisores TIA-485 utilizan una lógica de tres estados que permite desactivar transmisores individuales. Esto permite que TIA-485 implemente topologías de bus lineales utilizando solo dos cables. Los equipos ubicados a lo largo de un conjunto de cables TIA-485 se denominan indistintamente nodos, estaciones o dispositivos.[2] La disposición recomendada de los cables es como una serie de nodos conectados eléctricamente en paralelo a lo largo del cable, es decir, en línea o en bus, no una red en estrella, en anillo o en árbol. No se recomiendan las topologías de estrella y anillo debido a reflejos de señal o impedancia de terminación excesivamente baja o alta. Si una configuración en estrella es inevitable, se encuentran disponibles repetidores TIA-485 especiales que escuchan bidireccionalmente los datos en cada tramo y luego retransmiten los datos a todos los demás tramos.

Idealmente, los dos extremos del cable tendrán una resistencia de terminación conectada a través de los dos cables. Sin resistencias de terminación, los reflejos de la señal en el extremo no terminado del cable pueden corromper los datos. Las resistencias de terminación también reducen la sensibilidad al ruido eléctrico debido a la menor impedancia. El valor de las resistencias de terminación debe ser igual a la impedancia característica del cable (típicamente, 120 ohmios para pares trenzados). La terminación también incluye resistencias de polarización para establecer una tensión definida para cada cable de datos en el caso de que no esté activado ningún emisor. De esta manera, las líneas estarán polarizadas a voltajes conocidos y los nodos no interpretarán el ruido de las líneas no activas como datos reales; sin resistencias de polarización, las líneas de datos flotan de tal manera que la sensibilidad al ruido eléctrico es mayor cuando todas las estaciones del dispositivo están en silencio o sin alimentación.[3]
Ámbito de la norma
EIA inicialmente identificaba sus normas con el prefijo "RS" (Recommended Standard Estándar Recomendado ), pero EIA-TIA reemplazó oficialmente "RS" por "EIA / TIA" para ayudar a identificar el origen de sus estándares. La EIA se ha disuelto oficialmente y la TIA ahora mantiene el estándar como TIA-485, pero los ingenieros y las guías de aplicaciones continúan utilizando la designación RS-485.[4] La edición inicial de EIA RS-485 está fechada en abril de 1983.[5]
RS-485 solo especifica las características eléctricas del emisor y del receptor: la capa física del modelo OSI. No especifica ni recomienda ningún protocolo de comunicaciones. Otros estándares definen los protocolos para la comunicación a través de un enlace RS-485. El prólogo de la norma hace referencia al Boletín de sistemas de telecomunicaciones TSB-89, que contiene pautas de aplicación, incluida la velocidad de señalización de datos frente a la longitud del cable, la longitud de los ramales y configuraciones.
La Sección 4 define las características eléctricas del emisor (transmisor o controlador), receptor, transceptor y sistema. Estas características incluyen: definición de una unidad de carga, rangos de voltaje, voltajes de circuito abierto, umbrales y tolerancia transitoria. También define tres puntos de interfaz del emisor(líneas de señal); A, B y C. Los datos se transmiten en A y B. C es la referencia de tierra. Esta sección también define los estados lógicos 1 (apagado) y 0 (encendido), por la polaridad entre los terminales A y B. Si A es negativo con respecto a B, el estado es 1 binario. La polaridad invertida (A +, B -) es 0 binario. El estándar no asigna ninguna función lógica a los dos estados.
Operación dúplex
RS-485, como RS-422, pueden ser dúplex usando cuatro cables.[6] Sin embargo, dado que RS-485 es una especificación multipunto, esto no es necesario ni deseable en muchos casos. RS-485 y RS-422 pueden interoperar con ciertas restricciones.[7]
Convertidores, repetidores y topología de estrella
Hay disponibles convertidores entre RS-485 y RS-232 para permitir que una computadora personal se comunique con dispositivos remotos. Mediante el uso de repetidores se pueden formar redes RS-485 muy grandes. La pauta de aplicación TSB-89A, para TIA / EIA-485-A no recomienda el uso de la topología en estrella.[8]
Aplicaciones
Las señales RS-485 se utilizan en una amplia gama de sistemas informáticos y de automatización. En un sistema informático, SCSI-2 y SCSI-3 pueden utilizar esta especificación para implementar la capa física para la transmisión de datos entre el controlador y la unidad de disco. RS-485 se utiliza para comunicaciones de datos de baja velocidad en cabinas de aviones comerciales. Pues requiere un cableado mínimo y puede compartir el cableado entre varios asientos, lo que reduce el peso.
También se utilizan en controladores lógicos programables y en plantas de producción. RS-485 se utiliza como la capa física subyacente a muchos protocolos de automatización normalizados y patentados que se utilizan para implementar sistemas de control industrial, incluidas las versiones más comunes de Modbus y Profibus. DH 485 es un protocolo de comunicaciones patentado utilizado por Allen-Bradley en su línea de unidades de control industrial. Utilizando una serie de dispositivos de interfaz dedicados, permite que los PC y los controladores industriales se comuniquen.[9] Dado que es diferencial, resiste la interferencia electromagnética de motores y equipos de soldadura.
En teatros y salas de espectáculos, las redes RS-485 se utilizan para controlar la iluminación y otros sistemas mediante el protocolo DMX512. RS-485 también sirve como capa física para la interconexión de audio digital AES3.
RS-485 también se utiliza en la automatización de edificios, ya que el cableado de bus simple y las largas longitudes de cable permitidas son ideales para comunicar dispositivos remotos. Puede usarse para controlar sistemas de videovigilancia o para interconectar paneles de control de seguridad y dispositivos como lectores de tarjetas de control de acceso.
También se utiliza en Digital Command Control (DCC) para modelismo ferroviario. La interfaz externa a la estación de comando DCC suele ser TIA-485 utilizada por controladores portátiles[10] o para controlar el diseño en un entorno de PC en red. En este caso se utilizan conectores modulares 8P8C.[11]
Protocolos
RS-485 no define un protocolo de comunicación; simplemente una interfaz eléctrica. Aunque muchas aplicaciones utilizan niveles de señal TIA-485, TIA-485 no especifica la velocidad, el formato y el protocolo de transmisión de datos. La interoperabilidad, incluso de dispositivos similares de diferentes fabricantes, no está asegurada sencillamente por el cumplimiento de los niveles de señal normalizados.
Señales

| Señal | Marca | Espacio (0 lógico) |
|---|---|---|
| A | Bajo | Alto |
| B | Alto | Bajo |
La línea diferencial RS-485 consta de dos señales:
- A, que es baja para la lógica 1 y alta para la lógica 0 y,
- B, que es alta para la lógica 1 y baja para la lógica 0.
Debido a que una condición de marca (1 lógico) se representa tradicionalmente (por ejemplo, en RS-232) con un voltaje negativo y un espacio (0 lógico) representado con uno positivo, A puede considerarse la señal no inversora y B como inversora. El estándar RS-485 establece (parafraseado):[12]
- Para un estado desactivado, marca o 1 lógico, la terminal A del conductor es negativa en relación con la terminal B.
- Para un estado activado, espacio o 0 lógico, la terminal A del conductor es positiva en relación con la terminal B.
Las tablas de verdad de los dispositivos más populares, comenzando con el SN75176, muestran las señales de salida invertidas. Esto está de acuerdo con la denominación A / B utilizada, incorrectamente, por la mayoría de los fabricantes de transceptores diferenciales, que incluyen:
- Intersil, como se ve en su hoja de datos para el transceptor ISL4489[13]
- Maxim, como se ve en su hoja de datos para el transceptor MAX483[14]
- Linear Technology, como se ve en su hoja de datos para LTC2850, LTC2851, LTC2852[15]
- Analog Devices, como se ve en su hoja de datos para ADM3483, ADM3485, ADM3488, ADM3490, ADM3491[16]
- FTDI, como se ve en su hoja de datos para el USB-RS485-WE-1800-BT[17]
Todos estos fabricantes están equivocados (pero consistentes) y su práctica es de uso generalizado. El equívoco también existe en aplicaciones de controladores lógicos programables. Se debe tener cuidado al usar nombres A / B. A menudo se utiliza una nomenclatura alternativa para evitar confusiones en torno a la denominación A / B:
- TX + / RX + o D + como alternativa para B (alto para la marca, es decir, inactivo)
- TX− / RX− o D− como alternativa para A (bajo para la marca, es decir, inactivo)
Los emisores compatibles con el estándar RS-485 proporcionan una salida diferencial de un mínimo de 1,5 V a través de una carga de 54 Ω, mientras que los receptores compatibles con el estándar detectan una entrada diferencial de hasta 200 mV. Los dos valores proporcionan un margen suficiente para una transmisión de datos fiable incluso con una degradación severa de la señal a través del cable y los conectores. Esta robustez es la razón principal por la que el RS-485 es recomendable para redes de larga distancia en entornos ruidosos.[18]
Además de las conexiones A y B, puede haber una tercera conexión opcional (el estándar TIA requiere la presencia de un camino de retorno común entre todas las conexiones a tierra a lo largo de la línea balanceada para una operación adecuada)[19] llamada SC, G o referencia, la tierra de referencia de señal común utilizada por el receptor para medir los voltajes A y B. Esta conexión se puede utilizar para limitar la señal de modo común que puede llegar a las entradas del receptor. El voltaje de modo común permitido debe estar en el rango -7 V hasta +12 V, es decir, ± 7 V por encima del 0–5 V del rango de señal. Si no se mantiene dentro de este rango, en el mejor de los casos, se corrompería la señal y, en el peor, se dañarían los dispositivos conectados.
Se debe tener cuidado de que una conexión SC, especialmente en tramos largos de cable, no dé como resultado una conexión de diferentes tierras entre sí; es aconsejable agregar alguna limitación de corriente a la conexión SC. Las conexiones a tierra entre edificios pueden variar en una pequeña diferencia de voltaje, pero con una impedancia muy baja y, por lo tanto, la posibilidad de corrientes catastróficas, lo suficiente como para derretir los cables de señal, las trazas de PCB y dispositivos emisores.
RS-485 no especifica ningún conector o asignación de patillas. Los circuitos pueden terminar en clemas, conectores D-subminiatura u otros tipos de conectores.
La norma no trata sobre el blindaje de los cables, pero hace algunas recomendaciones sobre los métodos preferidos para interconectar el común de referencia de señal y las tierras de protección del equipo.
Ejemplo de forma de onda
El siguiente diagrama muestra los potenciales de las patillas A (azul) y B (rojo) de una línea RS-485 durante la transmisión de un byte (0xD3, el bit menos significativo primero) de datos utilizando un método asincrónico de inicio-parada.

Véase también
- Lista de buses de la red
- UART
Notas
- Bajo determinadas circunstancias se pueden utilizar velocidades de Transmisión de datos de 64 Mbit/s.RS-485 Reference Guide, archivado desde el original el 17 de mayo de 2018.
Referencias
- «How Far and How Fast Can You Go with RS-485? - Application Note – Maxim». www.maximintegrated.com.
- Electronic Industries Association (1983). Electrical Characteristics of Generators and Receivers for Use in Balanced Multipoint Systems. EIA Standard RS-485. OCLC 10728525.
- «Application Note 847 FAILSAFE Biasing of Differential Buses». Texas Instruments. 2011.
- «Trim-the-fat-off-RS-485-designs». EE Times. 2000.
- "EIA Standard RS 485 Electrical Characteristics of Generators and Receivers for Use in Balanced Digital Multipoint Systems", reproduced in " Data Communications Standards LibraryÈ, Telebyte Technology Inc., Greenlawn, New York 1985.
- RS-485 CONNECTIONS FAQ, Advantech B+B SmartWorx, consultado el 8 de marzo de 2019.
- What is the difference between RS422 communication and RS485 communication?, Brainboxes LLC, consultado el 8 de marzo de 2019.
- TSB-89A, Application Guidelines for TIA/EIA-485-A, consultado el 6 de abril de 2019.
- «DH-485 Industrial Local Area Network Overview». Rockwell Automation. Archivado desde el original el 10 de marzo de 2012. Consultado el 10 de septiembre de 2010.
- «XpressNET FAQ». Archivado desde el original el 17 de noviembre de 2017. Consultado el 26 de julio de 2015.
- bidib.org, "BiDiBus, a Highspeed-Bus for model-railways", accessed July 26, 2015.
- «Polarity conventions». Texas Instruments. 2003.
- «Data Sheet FN6074.3: ±15kV ESD Protected, 1/8 Unit Load, 5V, Low Power, High Speed and Slew Rate Limited, Full Duplex, RS-485/RS-422 Transceivers». Intersil Corporation. 28 de abril de 2006. Archivado desde el original el 4 de diciembre de 2004.
- «Data Sheet 19-0122 – MAX481/MAX483/MAX485/MAX487–MAX491/MAX1487: Low-Power, Slew-Rate-Limited RS-485/RS-422 Transceivers». Maxim. September 2009. Archivado desde el original el 27 de septiembre de 2009. Consultado el 7 de septiembre de 2021.
- «LTC2850/LTC2851/LTC2852 3.3V 20Mbps RS485/RS422 Transceivers». Linear Technology Corporation. 2007. Archivado desde el original el 2 de marzo de 2011.
- «ADM3483/ADM3485/ADM3488/ADM3490/ADM3491 (Rev. E)». Analog Devices. 22 de noviembre de 2011.
- «USB to RS485 Serial Converter Cable Datasheet». FTDI. 27 de mayo de 2010.
- «The RS-485 Design Guide». Texas Instruments.
- ANSI/TIA/EIA-485-A, page 15, A.4.1
Enlaces externos
Wikilibros alberga un libro o manual sobre Serial Programming:RS-485 Technical Manual.
- «TIA Standards Store: TIA-485 Revision A». TIA. 7 de diciembre de 2012. Consultado el 2 de septiembre de 2020. - The Standard for sale from the current publisher.
- «Tutorial 763: Guidelines for Proper Wiring of an RS-485 (TIA/EIA-485-A) Network». Maxim Integrated Products. 19 de noviembre de 2001.
- «RS232 to RS485 cable pinout». Pinouts.ru. 7 de octubre de 2012.
- «RS485 serial information». Lammert Bies. August 2012. Consultado el 12 de noviembre de 2012. – Practical information about implementing RS485
- Marais, Hein (2008). «Application Note AN-960: RS-485/RS-422 Circuit Implementation Guide». Analog Devices.
- Esta obra contiene una traducción total derivada de «RS-485» de Wikipedia en inglés, concretamente de esta versión del 18 de agosto 2021, publicada por sus editores bajo la Licencia de documentación libre de GNU y la Licencia Creative Commons Atribución-CompartirIgual 4.0 Internacional.